
ADI 能源解决方案及相关产品

I'm PortAI, I can summarize articles.
ADI 推出了在能源方面的应用方案和产品。这些方案包括工业能源 ESS 应用解决方案、便携储能应用解决方案、飞轮储能设备解决方案、太阳能模拟器应用解决方案、5-10KW 家庭储能电源应用解决方案、太阳能逆变器应用解决方案和车载充电(OBC)系统方案。如需了解详细信息,请联系 ADI。
继上期介绍了ADI 医疗健康解决方案及相关产品,本期推出的是 ADI 在能源方面的应用方案和产品。
工业能源 ESS 应用解决方案
便携储能应用解决方案
飞轮储能设备解决方案
太阳能模拟器应用解决方案
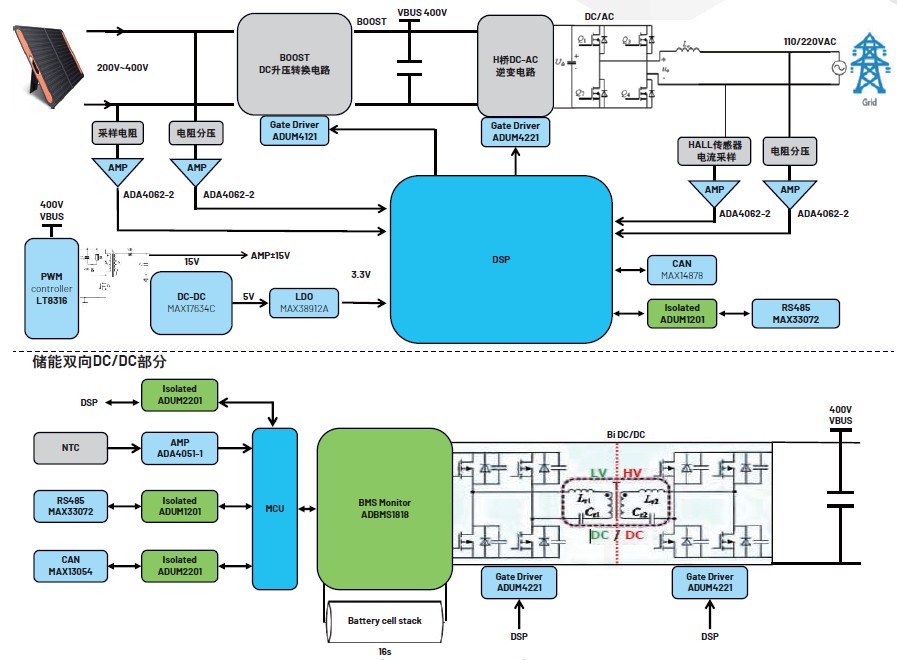
5-10KW 家庭储能电源应用解决方案
太阳能逆变器应用解决方案
车载充电(OBC)系统方案
如需获得以上方案的详细信息,请致电 400-048-1230 或发送邮件至 solution.ap@arrow.com 联系我们。
扫一扫订阅新闻邮件,及时获取最新技术资讯

