
【芝能智芯——SoC 供电方案考虑】
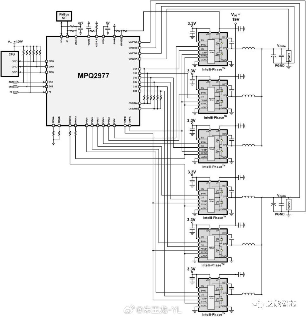
DrMOS 是一种单片电源设计,具有高功率密度、精确的电流感应和精确的芯片内温度感应,数字控制器提供了灵活性和可扩展性,可以根据给定 SoC 核心轨道的电流等级配置相数。数字控制器不需要任何外部反馈环路补偿,这简化了设计工作,缩短了开发时间。DrMOS 还具有非易失性内存(NVM),可以配置和重新配置寄存器设置,最多可达 1,000 次,控制器和 DrMOS 提供了各种监测和保护功能,可用于实施系统级遥测。汽车 SoC 和电池现代汽车有两种 12V 电池选择:铅酸电池或锂离子电池。锂离子电池的最大输出电压(VOUT)高达 20V,铅酸电池在瞬态时可以达到 40V 的最大 VOUT。使用 22V 额定 DrMOS 产品的单级电源转换实现,锂离子 12V 电池的车辆可以直接在电池上使用 22V 的 DrMOS,而无需预调节器将电池电压转换为 SoC 核心轨道电压。这对于提高效率、减小 PCB 面积、降低成本和优化电气性能是一种理想的实现。对于使用铅酸电池的车辆,在负载转储或双电池情况下,最大电压可能达到 40V。在这种情况下,将使用预调节器来限制 DrMOS 上的输入电压(VIN)的最大值为 20V,以保护 DrMOS 在瞬态时期。可以使用预调节器作为电压限制器。该预调节器可以以 100% 占空比运行,在正常工作条件下,它只是一个提供>99% 效率的传递,这意味着在电池电压(VBATT)超过预设 20V 限制时,预调节器在电压瞬变时限制 DrMOS 的 VIN 为 20V 的几毫秒。在电气性能方面,使用预调节器的实现与单级电源转换类似,因为预调节器仅在 VBATT 瞬变超过 20V 时的瞬态期间处于活动状态。此外,在具有预调节器的情况下,总 PCB 面积仍然可以小于传统实现,后者使用高电压离散 FET 和模拟 PWM 控制器进行单级转换。使用两级电源转换的 12V 铅酸电池供电汽车应用的实现,第一级将 VBATT 转换为 5V 或 3.3V 的中间总线电压。第二级将中间总线电压转换为 SoC 核心轨道电压,使用 6V 额定 DrMOS 设备。两级转换需要额外的半导体器件,但与单级解决方案相比,对于低至中功率 SoC 核心轨道来说,总体 SoC 电源解决方案可能更小、更便宜。系统设计师必须权衡所有因素,例如 12V 电池化学成分和 SoC 核心轨道功率规格,以选择设计的最佳电源架构。使用数字多相控制器和单片式 DrMOS 功率级的简化应用原理图。MPQ2977-AEC1 数字,6 相控制器配置为两个输出轨和每个轨的三个相。实施了一些监测和保护功能,例如过电流保护(OCP)、过电压保护(OVP)和过温保护(OTP)。●汽车分布式架构供电汽车计算架构正在从分布式架构演变为由强大的 SoC 驱动的集中式架构。在中央计算中使用的 SoC 需要先进的电源管理解决方案,特别是用于核心电压轨道。传统的电源解决方案不再适用于下一代中央计算功率应用。在汽车 SoC 核心电源应用中使用的电源管理解决方案、数字多相控制器和 DrMOS 功率级可以提供可扩展、灵活、紧凑的高效电源解决方案和快速瞬态响应。本文解释了如何实现具有单级或两级电源转换的电源架构。The copyright of this article belongs to the original author/organization.
The views expressed herein are solely those of the author and do not reflect the stance of the platform. The content is intended for investment reference purposes only and shall not be considered as investment advice. Please contact us if you have any questions or suggestions regarding the content services provided by the platform.




